ZF采埃孚自動檔變速箱取力器_12檔AMT變速箱取力器(12TX2420TD)_佰事瑞帕瓦取力器

取力器銷售電話:159-7276-7978
變速箱型號:12TX2420TD
變速箱品牌:采埃孚
變速箱系列:ZF TraXon12檔系列
檔位數:12檔
前進檔位:12檔
倒檔數:4個
換檔方式:手自一體
最大輸入扭矩:2400N.m
變速箱重量:265kg
變速箱油容量:13.5L
5檔傳動比:5.895 6檔傳動比:4.565 7檔傳動比:3.655 8檔傳動比:2.831
9檔傳動比:2.174 10檔傳動比:1.684 11檔傳動比:1.291 12檔傳動比:1
倒檔1傳動比:15.537 倒檔2傳動比:12.033 倒檔3傳動比:3.403 倒檔4傳動比:2.636
產品特點:減少換檔次數;節約油耗;優化、增多了空檔滑行;增加駕駛舒適性;優化行駛阻力、車重等參數的計 算,提升車輛駕駛性能。
1、標準取力器

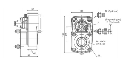
氣動 - 后取力器 (1: 1,32)
內部速比1:1.32,ISO 4孔標準輸出。
氣動換擋,連接變速箱后部4孔窗孔。
接觸式信號開關,適用于采埃孚Traxon,Astronic, Eco4。
總述:此說明書適用于采埃孚傳勝ZF Traxon變速箱的取力器配件,以確保變速箱良好運轉。如果不遵守此說明,售后將不理賠。



配件清單:

變速箱放油,清除取力器位置的灰塵,泥土等,拆下原變速箱后蓋,清潔安裝面,用一個橡膠錘將PTO軸組件6輕輕敲入過渡板7,并將卡簧5卡入,然后將O型圈5安裝在過渡板上,適當用油脂潤滑。
再將鋼墊片放在變速箱上,最后將過渡板安裝在變速箱上用螺栓1和9,墊片2和8固定,再根據取力器說明書,安裝對應的取力器。
最后務必將變速箱油加到規定液面。
2、轉置取力器

轉置取力器-氣動
后取力器,5根螺栓固定保證重載泵的安裝固定,適用于采埃孚Traxon,Astronic,Eco4,氣動換擋,ISO4孔輸出。 總述:此說明書適用于后取力1:1.05-1:1.8速比的配件,以確保變速箱良好運轉。如果不遵守此說明,售后將不理賠。


配件清單:

變速箱放油,清除取力器位置的灰塵,泥土等,拆下原變速箱后蓋,清潔安裝面。
在安裝取力器之前,確保O型圈(8)在取力器上,可以用潤滑脂固定。
先將紙墊(9)安裝在變速箱(10)上,將取力器用螺母(5和11)以及墊片(3)固定在變速箱上,然后清潔取力器和泵連接的安裝表面,然后再放上紙墊(4),最后將泵用螺母(2)和墊片(3)固定好。
裝信號開關時,先將螺塞(6)拆下,然后再安裝墊片和信號開關。
最后務必將變速箱油加到規定液面。
3、取力器過渡連接板

Traxon 系列
14齒連接軸配件,適用于所有ZF S6 90系列取力器。總述:此說明書適用于后取力1:1.05-1:1.8速比的配件,以確保變速箱良好運轉。如果不遵守此說明,售后將不理賠。


配件清單:

變速箱放油,清除取力器位置的灰塵,泥土等,拆下原變速箱后蓋,清潔安裝面。
在安裝取力器之前,確保O型圈(8)在取力器上,可以用潤滑脂固定。
先將紙墊(9)安裝在變速箱(10)上,將取力器用螺母(5和11)以及墊片(3)固定在變速箱上,然后清潔取力器和泵連接的安裝表面,然后再放上紙墊(4),最后將泵用螺母(2)和墊片(3)固定好。
裝信號開關時,先將螺塞(6)拆下,然后再安裝墊片和信號開關。
最后務必將變速箱油加到規定液面。
4、取力器電路氣路安裝

取力器銷售電話:159-7276-7978


